
- Topphastighet: 15-30 stk/min
- Nominell spenning: 110V/60Hz (amerikansk standard)
- Maskineffekt: 0,8KW
- Ampere: 2,2A
- Utvendig dimensjon: 2230*1460*1600 MM(L*B*H)
- Lufttrykk: 0,7 MPa
- Vekt: Ca 300 kg
Varsling før start av flaskelokkmaskinen
1: Før maskinen kobles til, sørg for at strømbryteren er i lukket tilstand, og følg deretter instruksjonene.
2: Hvis maskinen ikke går på lang tid, bør den tørkes av med en tørr klut og må ikke rengjøres med noe etsende rengjøringsmiddel.
3: Det er strengt forbudt å sprute væske inn i maskinens elektriske boks, for å unngå korrosjon på de interne elektriske komponentene og forårsake kortslutning.
4: Sjekk i henhold til utstyrets pakkelistemodeller, spesifikasjoner og mengde utstyr og materialer for å sikre at de oppfyller kravene til design og produktstandarder og ledsaget av samsvarssertifikater.
5: Sjekk utseendet til utstyret for å sikre at det er fritt for deformasjoner, skader og korrosjon, og alle spindler at de skal være fleksibelt roterende uten blokkering.
6: Denne maskinen arbeider under enfaset AC 110V, og den flate 3-bente strømpluggen skal kobles til stikkontakten med en jordledning.
Tekniske parametere

- Topphastighet: 15-30 stk/min
- Nominell spenning: 110V/60Hz (amerikansk standard)
- Maskineffekt: 0,8KW
- Ampere: 2,2A
- Utvendig dimensjon: 2230*1460*1600 MM(L*B*H)
- Lufttrykk: 0,7 MPa
- Vekt: Ca 300 kg
Capping Machine i detaljer:



Maskinens strukturer

Optisk fiber elektrisk øyebeskrivelse
Elektrisk øye for å oppdage flasker:

Når den betjenes i automatisk modus, er formålet med dette elektriske øyet å oppdage innkommende flasker.
Når den innkommende flasken oppdages, roterer "dreieplaten".
Lokk-levering elektrisk øye

Når den betjenes i automatisk modus, er formålet med dette elektriske øyet å oppdage innkommende deksler.
Når det innkommende lokket oppdages, hever "uttaksmekanismen" seg for å ta materiale.
Lokk-levering elektrisk øye

Når den betjenes i automatisk modus: Hensikten med dette elektriske øyet er å oppdage innkommende flasker.
Når den innkommende flasken oppdages, roterer "låselokkmekanismen" låshetten nedover.
Bryterknapp og ledningsport
Berøringsskjerm og nødstopp

Matemotor og lokkvibrasjonsplatekontroller

Vibrasjonsplatekontroller

Vibrasjonsplatekontroller: Juster utladningshastigheten ved å justere spenningen.
Strømbryter og stikkontakter

Motorkontroller

Frekvenstransformator: Juster motorhastigheten ved å justere frekvenstransformatorknappen.
Alarm og feilsøkingsmetode:
1. Nødstopp er trykket inn. Skyv nødstoppene på maskindekselet og ved siden av berøringsskjermen.
2. Utgangen når den innstilte verdien. Still inn utgangen, trykk på sletteknappen for å slette gjeldende utgang.
3. Når caps ikke oppdages over en lengre periode, vennligst sjekk. Sjekk induksjonsfiberen på flaskekorken om den er godt utstyrt. Sjekk om hettene er på plass eller ikke.
4. Når flasker ikke oppdages over en lengre periode, vennligst sjekk. Sjekk om flaskene er på plass.
Elektrisk øyejustering:
Forsterkerstruktur

Diagram for optisk fiber:

1. Optisk fiber låsestang
2. Driftsstatusindikator
3. Sett
4. DSC-indikatorlampe
5. Digital monitor
6. Manuell knapp
7. Utvidet beskyttelsesdeksel
8. Ekspansjonskontakt
9. Strømvelgerbryter
10. Modusknapp
11. Utgangsvelger
12. Kabler
13. Støvbeskytter
14. Sett verdi (i grønt)
15. Gjeldende verdi (i rødt)
Arbeidsprosess for den fiberoptiske innstillingen
- Når det elektriske øyet faller i gapet, er den røde strømverdien 144.
- Når det elektriske øyet faller på etiketten, er den røde strømverdien 4.
- Juster den innstilte verdien", ca. 1/2 av verdien som det elektriske øyet er på hovedpapiret (i gapet mellom objektene som skal oppdages) og verdien som det elektriske øyet er på papiret er den innstilte verdien (144 4)/2=74, juster den manuelle knappen for å justere den innstilte verdien til 74.
- Flytt etikettgapet frem og tilbake i det elektriske øyestedet og det røde "signallyset/indikatorlyset".
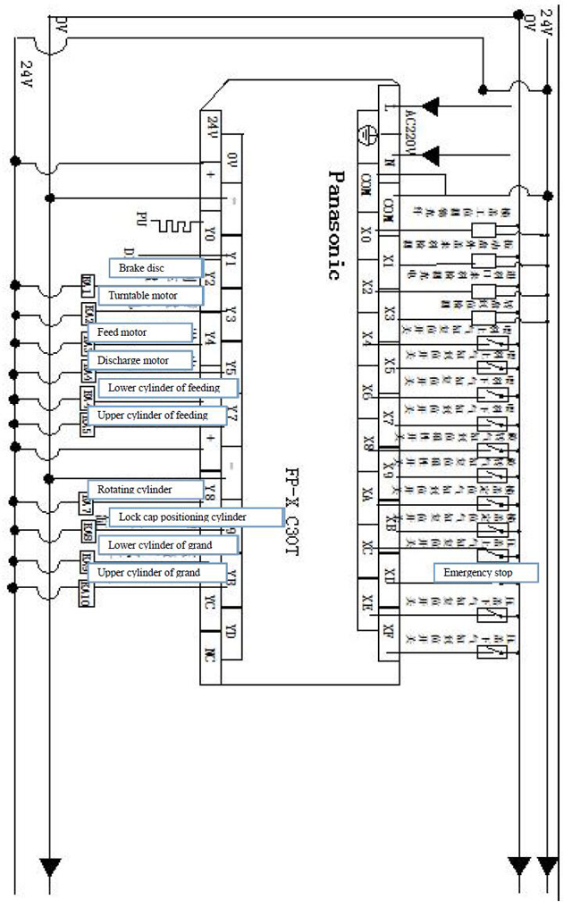
Kretsdiagram



Vedlikeholdsflaskelokkmaskin

1. Det er nødvendig å kontrollere og vedlikeholde maskinen for å forlenge maskinen og optimere funksjonen til maskinen;
- Arbeidsmaskinen bør vedlikeholdes hver tredje måned;
- Lager- og giroverføringsdelen må smøres med fettet;
- Smøringen må gjøres med jevne mellomrom;
- Glideoljen (N68) bør legges inn i delen som frem- og tilbakegående mekanismebevegelse eller løfting to ganger hver dag;
- Biloljen (N68) bør tilsettes i de roterende eller svingende delene;
- Hver halve måned fyller du fettet i kamsporet;
- Hver måned en gang for oljedyse ved å tilsette fett;
2. Bruk aldri metallverktøy til å treffe eller skrape overflaten der bindingen er konglomerert på deler som komponenter eller form.
3. Hvis maskinen slutter å gå over lang tid, tilsett fett for smøring i deler som girkasse eller lagerdel; Behandle også maskinen med vanntett beskyttelse.
4. Plasser aldri gjenstander på maskinen slik at det ikke skader maskinen.
5. Rengjør støvet inne i komponentene med jevne mellomrom, kontroller også alle skruene og fest eventuelle skruer som er løsnet.
6. Sjekk skruene i terminalene for kabling på et bestemt tidspunkt, og sørg for at skruen er festet;
7. Sjekk om det er noen løs stasjon i den strakte ledningsbanen fra el-boksene; Hvis delen er for løs, fest skruen på nytt for å unngå slitasje eller skade på isolasjonslaget som kan forårsake elektrisk lekkasje.
8. Sjekk de lettslitte klappene og bytt ut den skadede i tide;









