
- Dekkhoder: 2stk servo-moto-kjøring
- Spenning: 220V, 50/60HZ;
- Effekt: 3,0Kw
- Lufttrykk: 0,5–0,7Mpa
- Ampere: 8,5A
- Hastighet: 40-45/min (tilpasset i henhold til krukkers former og størrelser)
- Egnet produktdiameter: φ28-φ125mm lokk(Ikke-standard tilpasset)
- Kjertelpasseringsrate: ≥99,5 % (Avhengig av lokket og flaskefeil)
- Maskinstørrelse: 3300*1150mm*1908mm
- Vekt: 450 kg
Før du slår på strømmen til maskinen. Vennligst les denne håndboken nøye for sikkerhetsspørsmål og riktig bruk av maskinen. For å unngå personulykker og redusere hyppigheten av maskinskader.
Når det gjelder etsende produkter, pass på å unngå at de etsende gjenstandene berører eller spruter på selve maskinen og personalet.
- Unngå å bruke maskinen på steder som er utsatt for vibrasjoner eller kollisjon.
- Når maskinen er i gang, kan ikke kroppen til personalet berøre de bevegelige delene.
- Maskinen bør unngås på svært fuktige steder. Og sett den inn i strømforsyningen, jordet ledning riktig jordet, For å unngå en sikkerhetsulykke.
- Operatøren bør opprettholde en normal fysisk og mental tilstand. Hvis du tar alkohol, sovemedisiner eller andre rusmidler som er skadelige for din mentale tilstand, slutte å bruke maskinen.
- Operatøren må bruke passende klær for å unngå skader forårsaket av involvering av klærne i de rullende delene, og må ikke plassere fremmede gjenstander på maskinen.
- Hvis det oppstår støy eller andre unormalt under bruk, stopp umiddelbart og kontroller. Ikke-ingeniører, vennligst ikke overføre maskindeler vilkårlig.
- Regelmessig (en gang/ukentlig) vedlikehold og stell, unngå vann eller væskesprut og elektroniske kontrollbokser eller andre elektriske komponenter ved rengjøring av maskinen.
- Vennligst bruk i henhold til normale driftsprosedyrer og hold overflaten på maskinen ren og ryddig.
Capper-maskinen brukes på alle typer kosmetikk, medisin, veterinærmedisin, plantevernmidler, smøreolje og andre industrielle felt i pakkeprosessen.





Prinsippet og funksjonene til krukkelokkmaskinen:
- Elektrisk automatisk kontroll, den er stabil;
- Med lokkende posisjoneringsenhet, låst deksel standard, er operasjonen praktisk;
- Lås dekke et bredt spekter, kan spinne ulike former spesifikasjoner av cap;
- Begrensningshastighet, spinnens fengsel, kan samtidig også i henhold til behovet for å justere tettheten ved tilbakespoling.


Grunnleggende parametere for lokkmaskin for kosmetiske krukker:

1. Dekkhoder: 2stk servo-moto-kjøring
2. Spenning: 220V, 50/60HZ;
3. Effekt: 3,0Kw
4. Lufttrykk: 0,5--0,7Mpa
5. Ampere: 8,5A
6. Hastighet: 40-45/min (tilpasset i henhold til krukkers former og størrelser)
7. Egnet produktdiameter: φ28-φ125 mm lokk(tilpasset ikke-standard)
8. Kjertelpasseringsrate:≥99,5 % (Avhengig av lokket og flaskefeilen)
9. Maskinstørrelse:3300*1150mm*1908mm
10. Vekt: 450kg
Vertsdelbeskrivelse


Strømbryter: Kontroller strømforsyningen på---av.
Strømindikator: strøm på – grønt lys på, strøm av --- grønt lys av.
Nødstopp: Brukes til å stoppe maskinen umiddelbart eller for å tilbakestille funksjonen i nødstilfelle eller feil.
1. Start fotoelektrisk: Maskinen er i drift, når den fotoelektriske deteksjonen oppdager at det er en flaske og har lokk, kan platespilleren begynne å fungere. Hvis en av de to fotoelektrikkene ikke oppdages, roterer ikke platespilleren.
2. Opprinnelse fotoelektrisk: Den brukes til å kontrollere trinnmotoren for å drive dreieskivens posisjonering, slik at flasken kan settes inn i dekselet jevnt.
3. Caps fotoelektrisitet: Sjekk om dekselet er på plass og fotoelektrisk oppdage at det er en dekselplate å rotere.
4. Dekk fotoelektrisitet: Kontroll av start og stopp av den øvre dekselmaskinen, når dekselet levert av den øvre dekselmaskinen er sortert til posisjonen detektert av fotoelektrikken, er fotoelektrisiteten alltid lys, dekselmaskinen stopper for dekselet, og det intelligente dekselet er implementert .
5. Lås deksel fotoelektrisitet: Når flasken med lokket passerer, oppdages den fotoelektriske deteksjonen, og låsedekselet aktiveres i henhold til den innstilte forsinkelsestiden (de spesifikke parametrene justeres i henhold til hastigheten på transportbåndet når maskinen justeres).
6. Låsdekselsystem: Flasken med lokket er den samme, den fotoelektriske startforsinkelsen, forsinkelsen til sylinderklemmeflasken, låselokket er senket, grepdekselet - skrukorken - griperen frigjør - låselokket stiger - klipsflasken er løsnet, og låselokk-prosessen er fullført. I låsedekselet, når 1#-låsdekselet er i låsdekselet, kommer en annen flaske inn. På dette tidspunktet beveger 2#-klemmeflaskesylinderen seg, og 2#-låsdekselet aktiveres for å låse dekselet.(Når lokket som har blitt låst av 2#-låsehodet passerer 1#-klemmeflasken, ikke gjenta lås deksel.

Menneske-maskin grensesnitt beskrivelse

Oppstartside
3.1 Oppstartssiden har engelsk, kinesisk operasjonsvalg, hvis du velger kinesisk-knappen, skriv inn følgende grensesnitt:

Andre grensesnitt
Stoppe: Startbryteren for hele maskinen, trykk på denne tasten, maskinen går i automatisk modus, trykk igjen på denne tasten, maskinen slutter å gå.
Testport: Test driften av maskinen.
Dreieskivehastighet: Jo større hastighetsparameteren er, jo raskere hastigheten er, jo langsommere er hastighetsparameteren. (Men det er en maksimal grense.)
Platespillerforsinkelse: Platespiller oppstartstidsinnstillinger, i samsvar med platespilleren kjører jevn effekt å stille inn.
Begrensningsforsinkelse: Etter dreieskiven til den angitte stasjonen, forsinke ventetiden, sylinderaksjonshetten.
Avslutningstid: Tiden som kreves for å forsegle sylinderen.
Produksjon: Fullfør registreringen av antall lås deksel, praktisk produksjon telle. Trykk-reset-tasten for å slette.
X1. X3. X14: Sjekk om fotoelektrikken er i refleksjonens arbeidstilstand, lett å se driften av maskintilstanden,
Begrensningsparameter: Trykk på denne tasten og gå inn i følgende grensesnitt:

Grensesnittet er en parameterside som skal stilles inn for hver handling av 1 # låsehodet i servolåsdekselsystemet, den rimelige innstillingen av parameterne er gunstig for maskinens stabilitet og forbedring av effektiviteten.
Retur: Trykk på denne knappen for å gå tilbake til det andre grensesnittet.
I/O: Trykk på denne knappen for å gå inn i følgende grensesnitt:

X-serien poeng: Er inngangspunktet for å oppdage om fotoelektrikken er i arbeidstilstand, lett å se driften av maskinen, enkelt vedlikehold.
Y-seriepoeng: Er utgangspunktet for de utøvende komponentene i normal tilstand av tilbakemelding, kan også manuelt trykke på kontrolltasten for å teste om utførelseskomponentene er normale.
Hattematersystem: Kan være stabil og ryddig i henhold til foreskreven dekkeretning.
Tiltjustering: rimelig vinkel kan justeres for å kontrollere omvendt lokket klatrer ikke inn i sklien.
Frekvensomformerregulering: kontrollere hastigheten på dekselet.


Vedlikehold av krukkedekselutstyr:
1. Hold maskinen i en tilstand av strøm av og gass av for å sikre sikkerheten. Hold maskinen ren og ryddig, ingen diverse på maskinen, ingen småartikler, tilbehør, bolter osv.
2. Og smøreoljen tilsettes regelmessig på den bevegelige delens mekanisme for å sikre en god driftstilstand for mekanismen.
3. Slipp vann fra luftfilterenheten regelmessig og tilsett smøreolje for å sikre riktig bruk av sylinderen og forlenge levetiden.
4. Kontroller og reparer maskinen regelmessig. Vurder driftstilstanden til utstyret gjennom syn og øre for å sikre at maskinen fungerer bra.
Note: vennligst bruk og vedlikehold i strengt samsvar med instruksjonene, garantiperioden er strengt forbudt å åpne og demontere, ellers skaden forårsaket av dette som menneskelig skade, ingen gratis reparasjon. Denne instruksjonen kan endres uten varsel; hvis det fortsatt er usikkerhet rundt driften av denne maskinen, vennligst ring oss når som helst for spørsmål
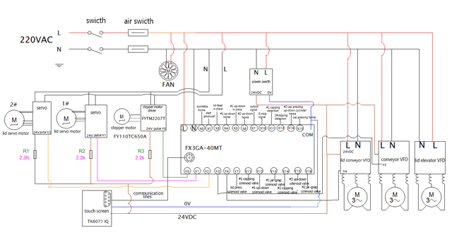
Vedlagt elektrisk skjema:

Ferdige forseglede hetter prøver på krukkenes lokkemaskin:





Merker: for de firkantede sorte glassene på grunn av at korkene er utsatt for riper, er de designet med pick-up-systemet for å trekke glasskorkene ut fra brettene og sette dem inn i den klargjorte stasjonen for lukking av lokket. Det detaljerte arbeidsprinsippet er illustrert som følger: Arbeidsprosess:
1. Manuell plassering av hettene i brettet (15*15 eller 10*10)

2. Sette brettene i den ferdige hentestasjonen
3. Roboter som plukker opp glassene

4. Plassering av flaskene og tilslutningsprosessen er ferdig
5. Utgang for lokket glass











